工控及自动化产品选型 打造高效、稳定与经济的自动化控制系统
贝加莱吹瓶机控制系统方案 高效、灵活与智能的自动化典范
对照自查!纯化水设备实现微生物控制的五大关键点
CPS在歐洲製造業自動化控制中的核心地位與未來展望
抄表管理无线储存移动手持盘点终端扫描设备自动化 网络工程中的一体化解决方案
大城县东迷堤优诺机械设备厂 匠心制造,赋能网络工程建设
自动化控制系统 视觉素材与模板资源全指南
自动化控制 现代工业的核心驱动力
为节能而生 易能电气EN605注塑压铸重载型变频器
杭州徳越电子科技 自动化成套控制系统与网络工程一体化解决方案
工业自动化控制中的核心参数 PV、SV与SP解析
上海帆扬机电自动化成套控制系统及网络工程产品全面解析
工业自动化控制系统架构设计: 工业自动化控制系统的架构设计是确保
全自动喷涂设备 从制造到网络工程的视觉资料库
智能制造2025 优倍电气如何以网络工程驱动精智工厂建设
细节完爆特斯拉超级工厂 极氪智慧工厂的自动化控制探秘
自动化水处理控制系统选购指南 骏祥工业供应的合理价位方案
自动化控制中DeviceNet转PROFINET PLC分布式控制架构的网关连接
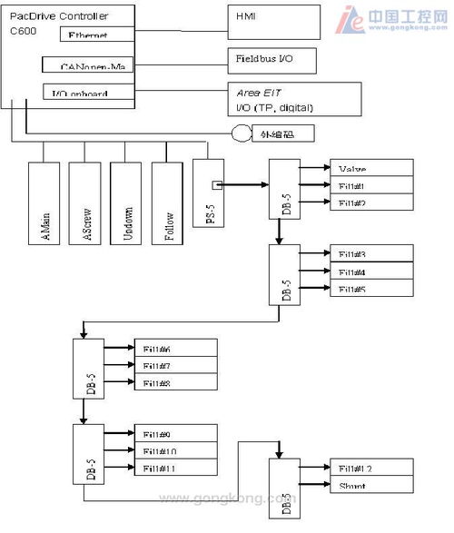
ELAU全伺服自动化控制系统解决方案在网络工程中的应用
上海信元宠食工厂实力揭幕 网络工程背后的秘密
如若转载,请注明出处:http://www.sinorech.com/product/list-2.html